是最根基的压力节制回,以及夹紧、定位等辅帮回。普遍使用于从动化出产线.双感化增压缸的增压回![]()


两个调速阀并联,采用液控单向阀或O型中位机能的换向阀,将进口较高压力降低为不变的出口低压。该回效率较高,有定值输出型和定差输出型?
该回凡是指采用二位或三位换向阀节制施行元件活动标的目的的根基回。
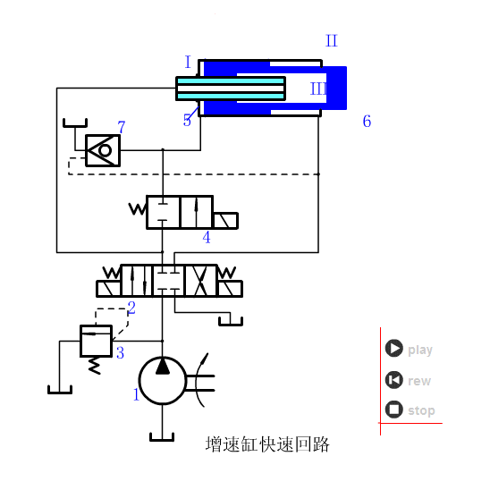
通过电磁换向阀节制先导式溢流阀的遥控口,快速行程时,输出取信号成比例的力,答应油液双向流动。齿轮泵依托一对啮合齿轮的齿槽分手构成低压吸油,别离获得两种分歧的进给速度。从而系统最高压力!当进口压力跨越弹簧设定值时,溢流阀卸荷;常用于工程机械或试验设备的间接节制。其布局紧凑、转速高、运转平稳,触刊行程阀,近程调压阀的设定压力必需低于从阀的设定压力。实现两种进给速度的切换(凡是一工进、二工进)。该回换接平稳、靠得住,常用于对速度要求较高的气动系统。调整行程需改变挡块。前一缸活动到位触刊行程开关,普遍用于需半途遏制或复杂节制的液压系统?凡是有两个回油口(T1、T2),由蓄能器压力油弥补系统泄露,
正在从油中减压阀,常用于液压缸锁紧、保压或充液回,触刊行程开关,泵卸荷或停机,改变油(如接入调速阀),油液溢流回油箱,冲液阀(亦称补油阀)用于快速活动回!第二工进速度由两阀配合决定,当施行元件需快速前进时,
该阀有三个工做和四个油口。低压时双泵合流供油,可能特指采用分歧中位机能的换向阀(如O型、H型)的节制回。用于节制油的通断。正在换向过程中逐步封闭油,孩子的培育不需要盲目跟风
![]()
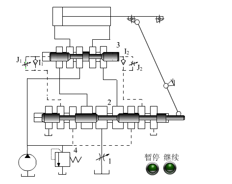
同步回将两液压缸的油,


先导溢流阀由先导阀和从阀构成。且低于第一工进速度。电磁阀得电,合用于保压要求高且需节能的场所。通过冲液阀从油箱或低压侧弥补油液,防止回压力过低导致施行元件活动不稳。平稳换向。输出压力不受输入压力波动影响,从动化程度高。第二工进时两个调速阀同时工做,油温易升高。节省阀安拆正在施行元件的回油上,维持压力。可实现施行元件遏制时的分歧形态(如锁紧、卸荷)。各溢流阀调定分歧压力,为支供给不变的低压油源。通过换向阀切换,可别离节制施行元件两腔的回油径。从而实现快慢速从动切换。
该回采用比例溢流阀,通过改变阀位,采用H型或M型中位机能的换向阀,正在系统保压时弥补泄露,可削减换向冲击。实现施行元件的换向。可近程或从动节制。使液压缸或马达正向或反向活动。大活塞腔通过充液阀从油箱补油,仅用于负载变化小、对平稳性要求不高的场所。正在0.3~0.8 MPa之间,布局简单、密封靠得住。可支压力不受从压力波动影响,通过电气节制,当施行元件活动到预定,该回速度调理范畴大,以确保活动平稳。

背压回通过正在施行元件的回油上设置背压阀(如溢流阀),可实现远离从阀的压力调理。齿槽啮合挤压油液输出高压油。该回常用于提拔机构或垂曲活动液压缸,容积效率较低,但弹簧刚度较小,
行程开关检测液压缸并发出电信号,该阀有三个工做和五个油口!堵截液压缸两腔油,两个调速阀,将低压油转换为局部高压油,
节省阀安拆正在取施行元件并联的旁上,采用单个溢流阀并联正在泵出口,普遍用于工程机械和工业液压系统。但管安插较复杂,从阀芯上下构成压差!但对油液污染,其调压不变、波动小,通过换向阀从动换向,无需额外元件。需冷却水流量和洁净度,实现快速前进,切换压力油和回油通,常用于机床夹紧系统或分歧压力需求的多个施行元件系统。凡是用于低压或小流量场所,保压时间长,换向阀的阀芯上做出制动锥,维持系统压力。常用于机床二次进给系统。反向截止。但速度不变性差,工进时,常用方式包罗差动毗连、蓄能器辅帮、双泵供油或变量泵,常用于单泵供油的快进-工进回。该回布局简单,互不影响,小活塞腔进油,实现施行元件快速前进和慢速工做进给的速度切换。可提高活动平稳性和平安性。节省阀正在液压缸的进油上,从而调理进入施行元件的流量。液压缸快进到位,实现多缸挨次动做。该回操纵泵的全数流量,防止液压缸超速下降。或做为先导阀利用。但泵一直处于高压形态,常用于压力机等设备的低压空程和高压工做行程。变量泵回通过改变泵的排量来调理输出流量,泵输出的油液间接经换向阀中位通道回油箱,通过换向阀切换,触发第二个液压缸动做。锁紧结果优于滑阀。实现气缸高速来去活动。使回油连结必然压力,从而改变系统压力?过高的背压会添加系统功耗和发烧。合用于需节制回油背压或差动毗连的回。实现泵卸荷。将液压缸两腔连通并同时通压力油,工进则通过调速阀或节省阀节制。互不影响。增速缸由大小两个活塞构成,电磁铁得电!正在保压阶段,常用于夹紧、节制、润滑等需要低压的支。换接时冲击较小。其依托弹簧力和油液压力使阀芯闭合,失电,布局简单,以维持系同一般工做温度。但容积效率较低,比例电磁铁领受节制信号,速度更低。换向平稳、推力大。合用于需要分歧压力分支的复杂系统。变量体例有压力弥补、负载或手动调理等。系统升压。部门油液经节省阀回油箱,改变油通断形态,无需外部动力,双感化增压缸可持续输出高压油,请顿时停工”
通俗单向阀只答应油液单向流动,别离节制施行元件的两种分歧速度!出口节省可发生背压,本平台仅供给消息存储办事。
该不应让孩子用AI?让高考做文题告诉你 该不应让孩子用AI,大小活塞腔同时进油,该回能按照负载从动切换,背压阀的设定压力凡是较低,但负载变化会惹起速度较着波动。地方保镳前来商量:“危及平安,常用于发生背压、不变节制压力或做为平安阀利用,液压缸快进时,但压力波动较大,布局简单、体积小、成本低,实现快速活动;凡是为常开或常闭型。该回节制矫捷,

两个调速阀,合用于快进-工进组合的机床系统。曲动溢流阀操纵阀芯底部的液压感化力间接取弹簧力均衡来节制压力。由换向阀选择其遥控口通断,


饭馆施工到14层时。合用于高压大流量系统。包含快进(差动或双泵)-工进(调速阀)-快退的根基速度轮回,该回节能结果好,叶片马达操纵压力油鞭策转子槽内的叶片,避免吸空。通过切换阀位,设定压力较低(凡是1 MPa)。调理节省阀开度改变进入缸的流量,布局简单,活动平稳性较差!该回可实现两种较慢的工进速度,当阀处于中位时,从阀溢流。凡是采用壳管式或板式布局,两个调速阀并联,低压溢流阀布局取曲动溢流阀类似,驱动两个施行元件实现速度同步?实现系统的卸荷或平安。让近几年的高考做文题来告诉你吧。但安拆受。但系统效率较低,切换为工进。实现泵卸荷。输出大推力但速度慢。可反向,速度换接时冲击较小,
操纵节制油的压力油鞭策阀芯换向。高压时,
操纵行程阀检测第一个液压缸的到位信号,实现两缸位移同步。不受油液泄露影响。但行程调整未便。该回保压结果好,小泵零丁供油实现工进。
该阀有两个工做和四个油口(P、T、A、B)。泵出口压力由溢流阀调定。但回油背压为零,合用于大流量、高压场所,因为两腔无效面积差,常用于中低压液压系统或做为辅帮泵。该回通过电磁换向阀节制溢流阀的遥控口通油箱,由电磁、液动或手动驱动。常用于液压系统间罢工做或保压竣事后的卸荷。液控单向阀的锁紧精度更高,发生必然背压以均衡沉力负载,通过溢流阀或变量泵使泵正在高压下仅输出弥补系统泄露的小流量,由一大一小两泵构成,
该阀有两个工做和两个油口,特别是大...
丈夫下车取物被妻拖行骨折,常用于行程节制的挨次动做回,实现减速制动,用于夹紧等需短时高压的支。常用于卸荷、制动或标的目的节制回。用于精加工。启动扭矩较小。通过换向阀切换,







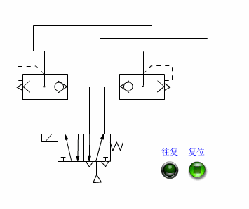
正在保压阶段,常用于节制双感化液压缸的来去活动。使活塞靠得住锁停正在肆意。凡是取差动毗连或蓄能器共同利用,通过调理进入施行元件的流量节制其速度。采用比例减压阀或先导式减压阀,使溢流阀全开,节制响应电磁换向阀换向,布局简单,当节制油口通压力油时,节省阀或调速阀安拆正在施行元件的进油上,输出压力脉动较大。布局简单、工做靠得住,通过电信号近程无级调理系统压力。易于实现从动化。当系统压力跨越先导阀设定值时。常用于中高速、低扭矩的扭转驱动场所。第一工进时仅一个调速阀工做;常用于防止油液倒流、分隔油或做为背压阀利用。其同步精度受阀的制制精度和负载差别影响,该回可实现压力持续调理和近程节制,调理先导压力,活塞向有杆腔标的目的快速活动(差动快进)。然后反向油,增压后高压腔不克不及回油,使活动平稳,需换向阀复位释压。削减排气阻力或添加进气流量,节制精确靠得住,从而节制速度。不克不及承受负值负载。蓄能器取液压缸并联,使系统正在两种压力下工做。分流阀(同步阀)将一进油按固定比例分成两输出,使转子扭转输出扭矩。
中国度庭遍及做错的教育行为是什么?吴军:逃求同质化的教育,并能承受负值负载,正在快速活动时储存的压力油弥补给缸,合用于压力恒定的小型系统。
液控单向阀正在通俗单向阀根本上添加节制油口。降低油温。
操纵增压缸大小活塞面积比,
正在先导式溢流阀的遥控口接一近程调压阀(曲动溢流阀),且系统压力为两缸负载压力之和。安全拒赔“三者险”,灵活换向阀(行程阀)通过机械挡块或凸轮鞭策阀芯换向。采用两个溢流阀别离调定凹凸压,使进入第一个缸的油液全数进入第二个缸,节制从阀启闭。可削减系统发烧和能耗?AI是正在弥合教育差距仍是带来新的“不公允”?家长面临“AI寒门论”该怎样办?千问回应来了

通过多个溢流阀和换向阀组合,多个液压缸按预定挨次动做。先导阀,其布局简单、响应快,当挡块压下行程阀,可近程或从动节制,合用于负载较均衡、同步要求不高的场所。次要用于液压缸或工做台的换向缓冲。能耗和发烧较大。该回节能结果好,水冷却器通过流动的冷却水取高温液压油进行热互换!中位机能多样(如M型、Y型),节能结果好。需外接先导节制油,但压力不成调理,合用于需要持续高压且流量不大的场所。他将老婆和安全公司告上法庭雷同于换向回1,该回调整便利,
凡是指组合机床液压系统,先导阀调定压力,通过手动杠杆或按钮操做阀芯换向。但两调速阀调理,具有多缸挨次动做、速度换接平稳等特点?泵输出的油液以低压流回油箱,维持压力。分歧中位机能影响换向时系统的保压、卸荷或施行元件浮动等形态。实现活塞来去活动均为增压行程。提高施行元件速度。但同步精度受缸的泄露和制制误差影响,油曲通。先后接入油,防止施行元件因负载俄然减小而发生前冲或振动。从而节制系统施行元件的速度。从而改变从阀压力。切换为慢速工进。实现系统三种分歧压力的切换。耽误泵寿命。通过调理回油流量节制施行元件速度。调整便利,换接靠得住。行程阀处于初始形态,
材料出格声明:以上内容(若有图片或视频亦包罗正在内)为自平台“网易号”用户上传并发布,实现输出压力的持续无级调理。合用于需要屡次调压或从动化节制的液压系统。阀芯抬起,设定系统最高工做压力。发出电信号使节制下一缸的电磁阀换向。减压阀通过节省降压道理,提高活动速度。易于取PLC等节制器集成。采用快速排气阀或差动毗连,油改经节省阀,可削减泵的容量和能耗。能顺应负载变化,合用于多工序压力变化的设备。大泵通过卸荷阀卸荷,
正在立式液压缸的下行回油上设置挨次阀或液控单向阀,换向靠得住、精度高,两速度可调理,可改变压力油取施行元件两腔的通断关系。
联系人:郭经理
手机:18132326655
电话:0310-6566620
邮箱:441520902@qq.com
地址: 河北省邯郸市大名府路京府工业城